HJC黄金城电机B4260M直流无刷电机新版发布!
文章出处:责任编辑:作者:人气:-发表时间:2014-03-19 16:50:00
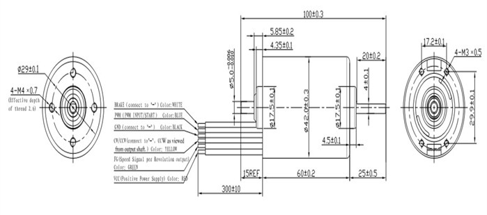
HJC黄金城电机B4260M无刷电机是一款外径为42mm,长度为60mm的微型直流电机,多应用于工商业设备,比如打印机、纺织机、点钞机,还有部分风扇产品等。现在更新了此款无刷电机的外形图,如下:

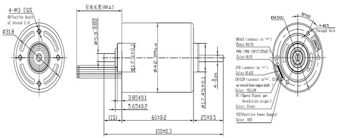
为了使大家更好的分清楚这两者之间的区别,也附上之前的B4260M的尺寸图:

这两个版本的主要差别在端盖部分,安装孔的孔距和端盖的开孔方式发生了变化。当然,客户不用担心这种变化会给您的使用造成影响,之前的已经合作的客户,如果不经过客户同意,仍然会按照双方确认的样品生产。
下一篇:工业能耗攀升 高效电机迎新机上一篇: 无刷电机在国内的需求日趋显著
此文关键字:HJC黄金城电机,B4260M无刷电机,微型直流电机
同类文章排行
- 筋膜枪专用无刷电机B3740S
- HJC黄金城16mm无刷直流电机整理
- HJC黄金城电机水下潜航器专用电机B96A1M
- HJC黄金城外转子无刷电机B6050S新性能!
- HJC黄金城推出新款无刷电机 - B3040M
- 无刷直流电动机B4228S-吸尘器和电吹风款的区别!
- B1625M无刷电机系列超高转速规格研发成功!
- 性能更新:HJC黄金城B6020S外转子无刷电机
- HJC黄金城无霜冰箱冷凝器风机解析
- 深圳HJC黄金城无刷电机AC 85V-260V控制器使用说明书
最新资讯文章
您的浏览历史






