产品展示
联系HJC黄金城
电话:86-755-29169107(市场部直线)
29169191(总机)
公司传真:86-755-29169007
公司地址:广东省深圳市宝安区福海新田大道福宁高新产业园A栋、F栋
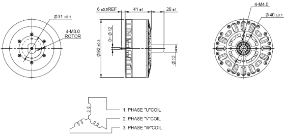
B9240S外转子直流无刷电机
- 所属分类:[全部HJC黄金城直流无刷电机]
- 产品简介:特征:双转向,信号功能,无级调速,低噪音,低电磁干扰,超长寿命10000-30000小时
- 订购热线:400-0755-631
- 下载资料:资料下载
|
|
B9240S |
Output Power 输出功率: 50W~450W |
Weight 重量:500g(Approx.) |
|
Directly Drive Brushless DC Motor (DD BLDC)-Typical Application(In development)直驱无刷直流电机-典型应用(研发中) Automobile Parts: Auto Pumps, Auto Air Conditioning Compressor 汽车部件:汽车泵,汽车空调压缩机 Business Equipments: Electric Joint, Underwater Propeller, Electric Scooter 商业设备:电动关节,水下螺旋桨,电动滑板车 Others: Direct Drive Rotating PTZ(pan-tilt-zoom) 其它:直驱旋转云台 |
|||
|
Model 型号 (DC Motor直流马达) |
Voltage(V) 电压 |
No Load 空载 |
Rated Load 额定负载 |
Stall 堵转 |
||||||
|
Operating Range |
Rated |
Speed (rpm) |
Current (A) |
Torque (mNm) |
Speed (rpm) |
Current (A) |
Output P. (W) |
Torque (mNm) |
Current (A) |
|
|
B9240S-S01 |
12-32 |
29 |
3602 |
2.13 |
1.1 |
2583 |
15.57 |
297.5 |
3.9 |
45 |
|
B9240S-S01 |
12-32 |
25
|
1512 |
0.69 |
1.0 |
1381 |
6.544 |
144.65 |
11 |
68 |
Characteristic: CW & CCW, Signal function available, Locked rotor protection, Stepless speed regulation, Low noise, Low EMI, Long life 10000-30000hrs 特征:双转向,信号功能,无级调速,低噪音,低电磁干扰,超长寿命10000-30000小时
|
Notice: Data in this typical specification sheet are for other certain customer. Voltage, rated torque, speed, current, power and shaft extension feature & dimension can be changed to meet customer specific requirement. 注意:上述规格仅针对特定客户,电压、扭矩、转速、电流、功率、输出轴的特征和尺寸等都可以按照客户的特殊要求进行调整。 |
Outline Drawing 外形图:

|
Usable machine screw length 4.0mm max. from motor mounting surface Unit: Millimeter |
|
Performance Curve 性能曲线:
|
B9240S-S02 25V |

相关资讯
| 我要评论: | |
| 内 容: |
(内容最多500个汉字,1000个字符) |
| 验证码: | 看不清?! |










共有-条评论【我要评论】