无刷直流电动机B4228S-吸尘器和电吹风款的区别!
文章出处:责任编辑:作者:人气:-发表时间:2015-07-13 11:28:00
HJC黄金城外转子无刷电机B4228S,可配用高压驱动器和达到高转速性能,非常适用于电吹风和吸尘器这两种用途。为了便于客户使用,HJC黄金城·集团(中国区)唯一官方网站分别针对这两种应用,设计了专用性能和接线方式。
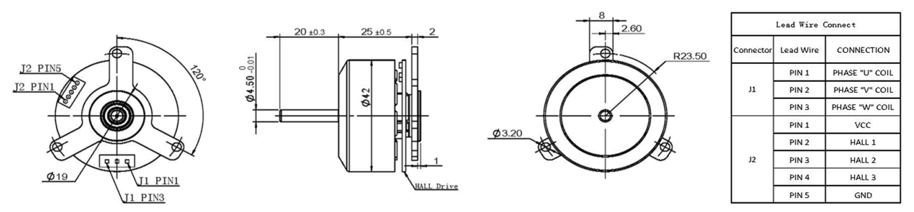
HJC黄金城高速无刷电机B4228S电吹风专用款:

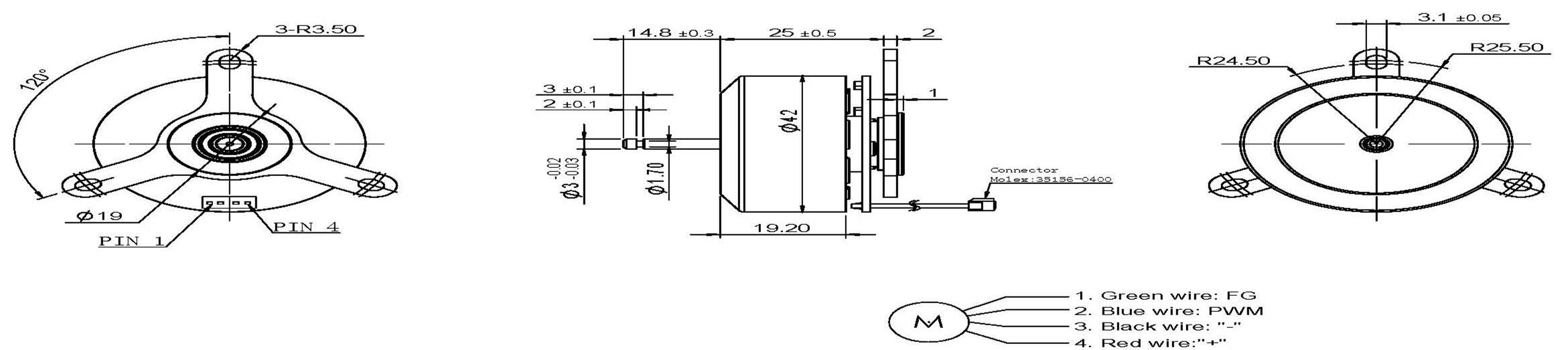
HJC黄金城AC220V高压无刷电动机B4228S吸尘器专用款:
.jpg)
各位客户朋友在咨询时,请说明用途,以便选用合适的规格方案,谢谢!
此文关键字:电吹风无刷电机,吸尘器无刷马达,高转速无刷电动机
同类文章排行
- 筋膜枪专用无刷电机B3740S
- HJC黄金城16mm无刷直流电机整理
- HJC黄金城电机水下潜航器专用电机B96A1M
- HJC黄金城外转子无刷电机B6050S新性能!
- HJC黄金城推出新款无刷电机 - B3040M
- 无刷直流电动机B4228S-吸尘器和电吹风款的区别!
- B1625M无刷电机系列超高转速规格研发成功!
- 性能更新:HJC黄金城B6020S外转子无刷电机
- HJC黄金城无霜冰箱冷凝器风机解析
- 深圳HJC黄金城无刷电机AC 85V-260V控制器使用说明书
最新资讯文章
您的浏览历史






