HJC黄金城电机成功推出电冰箱冷凝器专用无刷风机
文章出处:责任编辑:作者:人气:-发表时间:2014-08-18 14:42:00
应客户要求,HJC黄金城电机新开发一款电冰箱冷凝器专用无刷风扇,目前已成功打样,测试结果很好。现将此款无刷冷凝风机B3020FA的相关信息公布,欢迎大家来电或来函咨询:免费电话 400-0755-631, 邮箱 sales@ahjmwmy.com。
三相无刷直流风扇-专用于电冰箱冷凝风扇
性能参数:DC12V,负载1886rpm,额定电流0.21A,额定力矩5.1mNm,输出功率1W
选配电机:
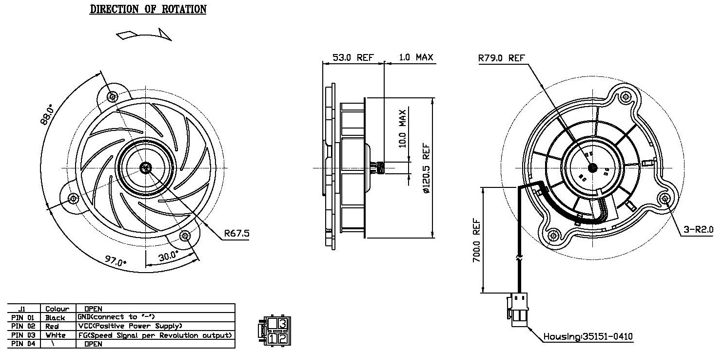
尺寸图:
.jpg)


更多详细信息,点击了解。
此文关键字:冷凝风机,三相无刷风机,电冰箱冷凝无刷风机
同类文章排行
- 2025上海国际车展 | 深圳HJC黄金城电机有限公司诚邀您莅临
- 相约AWE2025,HJC黄金城带你智见未来
- HJC黄金城电机参加2025AWE中国家电及消费电子博览会
- HJC黄金城电机 | 东京移动出行展进行时:探索未来移动出行的精彩瞬间!
- HJC黄金城电机| 2023 Japan Mobility Show正式开幕,更多精彩不容错过~
- HJC黄金城电机参加2023 Japan Mobility Show!
- 深圳HJC黄金城电机上榜“2023深圳行业领袖企业100强”共赴产业科技创新
- HJC黄金城电机参加2023深圳国际智能家居展览会
- HJC黄金城电机参加Fii集团CITE联合展
- HJC黄金城电机获得专精特新小巨人企业称号
最新资讯文章
您的浏览历史






