产品展示
联系HJC黄金城
电话:86-755-29169107(市场部直线)
29169191(总机)
公司传真:86-755-29169007
公司地址:广东省深圳市宝安区福海新田大道福宁高新产业园A栋、F栋
D1518G 齿轮电机
- 所属分类:[HJC黄金城-减速齿轮电机]
- 产品简介:典型应用:智能电表小型重合闸,微型断路器,智能门锁 特征:低噪音,低震动,高可靠性
- 订购热线:400-0755-631
- 下载资料:资料下载
|
|
D1518G |
Output Power 输出功率: 0.3W~2W |
Weight 重量: 25g (Approx.) |
|
PM DC Gear Motor-Typical Application 有刷直流减速电机-典型应用 智能电表小型重合闸 - Small Reclosing for Smart Ammeter 智能锁,电子锁 – Intelligent Lock |
|||
|
Model 型号 |
电压 Voltage(V) |
No Load 空载 |
Rated Load 额定负载 |
Stall 堵转 |
||||||
|
Operating Range |
Rated |
Speed (rpm) |
Current (A) |
Torque (Nm) |
Speed (rpm) |
Current (A) |
Output P. (W) |
Torque (Nm) |
Current (A) |
|
|
D1518G-S01 (Gear Ratio 1084) |
5-12 |
6 |
12 |
0.08 |
0.43 |
8 |
0.25 |
0.38 |
1.45 |
0.66 |
Characteristic: Low noise, Low Vibration, High Reliability 特征:低噪音,低震动,高可靠性
|
Notice: Data in this typical specification sheet are for other certain customer. Voltage, rated torque, speed, current, power, gear box ratio & dimension, shaft extension feature & dimension can be changed to meet customer specific requirement. 注意:上述规格仅针对特定客户,电压、扭矩、转速、电流、功率、齿轮箱的减速比和尺寸、输出轴的特征和尺寸等都可以按照客户的特殊要求进行调整。 |
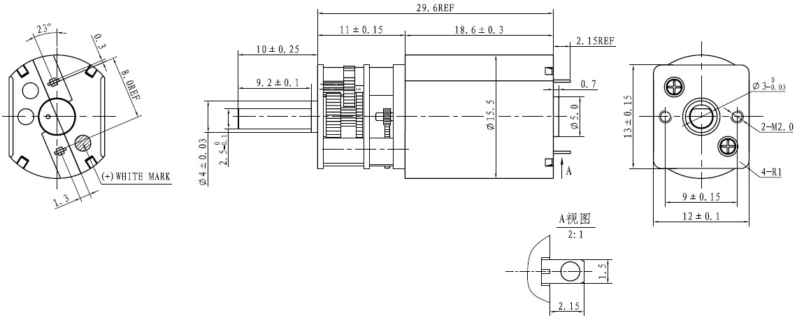
Outline Drawing 外形图: (Unit: Millimeter)
.jpg)
PMDC Gear Motor Performance Curve 直流减速电机性能曲线:
|
D1518G-S01(Gear Motor) 6V |
|
相关资讯
| 我要评论: | |
| 内 容: |
(内容最多500个汉字,1000个字符) |
| 验证码: | 看不清?! |








共有-条评论【我要评论】