产品展示
联系HJC黄金城
电话:86-755-29169107(市场部直线)
29169191(总机)
公司传真:86-755-29169007
公司地址:广东省深圳市宝安区福海新田大道福宁高新产业园A栋、F栋
外转子无刷直流电机B2819S
- 所属分类:[全部HJC黄金城直流无刷电机]
- 产品简介:特征: 慢煮机专用外转子直流无刷电机,三根相线,低噪音,低电磁干扰,超长寿命3000-15000小时。
- 订购热线:400-0755-631
- 下载资料:资料下载
|
|
B2819S |
Outer Rotor |
Output Power 输出功率: 0.05W~3.5W |
Weight 重量: 57g (Approx.) |
|
外转子 |
||||
|
3-Phase Brushless DC Motor-Typical Application 三相无刷直流电机-典型应用
Home Application: Sous Vide 家用电器:慢煮机,搅拌器 |
||||
|
Model 型号 |
电压 Voltage(V) |
No Load 空载 |
Rated Load 额定负载 |
Stall堵转 |
||||||
|
Operating Range |
Rated |
Speed (rpm) |
Current (A) |
Torque (mNm) |
Speed (rpm) |
Current (A) |
Output P. (W) |
Torque (mNm) |
Current (A) |
|
|
B2819S-S01 |
5-14 |
12 |
2951 |
0.06 |
5 |
2622 |
0.21 |
1.37 |
44.64 |
1.38 |
|
B2819S-S02 |
5-14 |
12 |
3129 |
0.05 |
15 |
2153 |
0.48 |
3.38 |
48.04 |
1.43 |
Characteristic: With U,V,W wires, Low noise, Low EMI, Long life 3000-15000hrs 特征: 三根相线,低噪音,低电磁干扰,超长寿命3000-15000小时
|
Notice: Data in this typical specification sheet are for other certain customer. Voltage, rated torque, speed, current, power and shaft extension feature & dimension can be changed to meet customer specific requirement. 注意:上述规格仅针对特定客户,电压、扭矩、转速、电流、功率、输出轴的特征和尺寸等都可以按照客户的特殊要求进行调整。 |
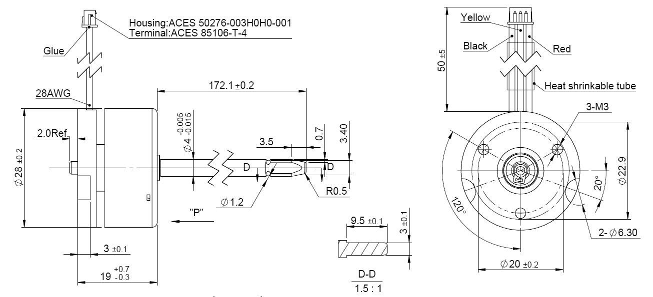
Outline Drawing 外形图: (Unit: Millimeter)

Performance Curve 性能曲线:
|
B2819S-S01 12V |
B2819S-S02 12V |

相关资讯
| 我要评论: | |
| 内 容: |
(内容最多500个汉字,1000个字符) |
| 验证码: | 看不清?! |








共有-条评论【我要评论】