产品展示
联系HJC黄金城
电话:86-755-29169107(市场部直线)
29169191(总机)
公司传真:86-755-29169007
公司地址:广东省深圳市宝安区福海新田大道福宁高新产业园A栋、F栋
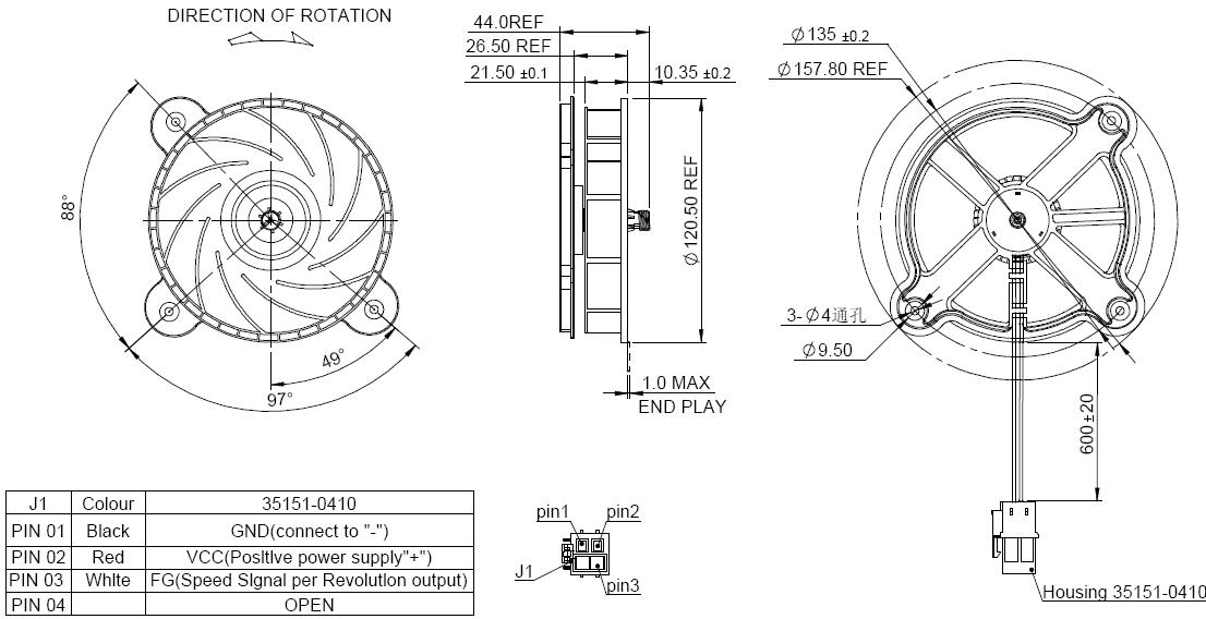
FA230R-U001/2 直流无刷风扇
- 所属分类:[全部HJC黄金城直流无刷电机]
- 产品简介:特征:单转向,信号功能,锁定保护,低噪音,低电磁干扰,超长寿命70000小时以上
- 订购热线:400-0755-631
- 下载资料:资料下载
|
|
FA230R-U001/2 |
Brushless DC Fan |
Output Power 输出功率: 0.3W~5W |
Weight 重量: 160g (Approx.) |
|
无刷直流风扇 |
||||
|
3-Phase Brushless DC Fan- Specific for Refrigerator Condenser Fan
三相无刷直流风扇-专用于电冰箱冷凝风扇 |
||||
|
Model 型号 |
电压 Voltage(V) |
No Load 空载 |
Rated Load 额定负载 |
Stall 堵转 |
||||||
|
Operating Range |
Rated |
Speed (rpm) |
Current (A) |
Torque (mNm) |
Speed (rpm) |
Current (A) |
Output P. (W) |
Torque (mNm) |
Current (A) |
|
|
FA230R-U001/2 |
5-12 |
12 |
2943 |
0.075 |
5.101 |
1886 |
0.21 |
1.007 |
14.17 |
0.45 |
Characteristic: CW or CCW, Signal function available, Locked rotor protection, Low noise, Low EMI, Long life 70000 hours min.
特征:单转向,信号功能,锁定保护,低噪音,低电磁干扰,超长寿命70000小时以上
|
Notice: Data in this typical specification sheet are for other certain customer. Voltage, rated torque, speed, current, power and shaft extension feature & dimension can be changed to meet customer specific requirement. 注意:上述规格仅针对特定客户,电压、扭矩、转速、电流、功率、输出轴的特征和尺寸等都可以按照客户的特殊要求进行调整。 |
Outline Drawing 外形图: (Unit: Millimeter)
Performance Curve 性能曲线:
|
FA230R-U001/2 12V |
|
相关资讯
| 我要评论: | |
| 内 容: |
(内容最多500个汉字,1000个字符) |
| 验证码: | 看不清?! |










共有-条评论【我要评论】