产品展示
联系HJC黄金城
电话:86-755-29169107(市场部直线)
29169191(总机)
公司传真:86-755-29169007
公司地址:广东省深圳市宝安区福海新田大道福宁高新产业园A栋、F栋
B8035M 无刷电机
- 所属分类:[全部HJC黄金城直流无刷电机]
- 产品简介:特征:双转向,信号功能,锁定保护,无级调速,低噪音,低电磁干扰,超长寿命10000-50000小时
用途:空气净化器,风扇、风机类产品 - 订购热线:400-0755-631
- 下载资料:资料下载
|
|
B8035M |
Output Power 输出功率: 10W~50W |
Weight 重量: 506g (Approx.) |
|
Brushless DC Motor-Typical Application 直流无刷电机-典型应用
Automotive Parts: Pump, Fan 汽车部件:泵,风机 Home Application: Exhaust Fan for Gas Water Heater, Air Purifier, Electric Fan, Exhaust Fan, Tubular Fan, Air Blower 家用电器:燃气热水器排风扇,空气净化器,电风扇,排气扇,贯流风机,冷暖风机 Medical Apparatus: Medical Blower 医疗器械:医用风机 Power Tools: Air Pump, Air Compressor 电动工具:气泵,气体压缩机 |
|||
|
Model 型号 |
电压 Voltage(V) |
No Load 空载 |
Rated Load 额定负载 |
Stall 堵转 |
||||||
|
Operating Range |
Rated |
Speed (rpm) |
Current (A) |
Torque (mNm) |
Speed (rpm) |
Current (A) |
Output P. (W) |
Torque (mNm) |
Current (A) |
|
|
B8035M-S01 |
12-26 |
24 |
3202 |
0.46 |
132 |
2753 |
2.23 |
38.05 |
939.5 |
6.0 |
|
B8035M-S02 |
12-26 |
24 |
1429 |
0.13 |
132 |
1204 |
0.92 |
16.64 |
836.2 |
2.97 |
|
B8035M-S03 |
DC100-340V |
DC310V外置 |
3262 |
0.036 |
132 |
2742 |
0.17 |
37.91 |
694.5 |
1.0 |
|
B8035M-S04 |
12-26 |
24 |
3154 |
0.199 |
132 |
2128 |
1.67 |
29.41 |
405.8 |
4.7 |
|
B8035M-S05 |
12-26 |
24 |
5579 |
0.348 |
40 |
5170 |
1.13 |
21.66 |
546.2 |
3.3 |
Characteristic: CW & CCW, Signal function available, Locked rotor protection, Stepless speed regulation, Low noise, Low EMI, Long life 10000-50000hrs
特征:双转向,信号功能,锁定保护,无级调速,低噪音,低电磁干扰,超长寿命10000-50000小时
|
Notice: Data in this typical specification sheet are for other certain customer, the specific BLDC motor performance and dimension can be changed by adjusting winding, magnetic field, controller parameter and relevant mechanical factor to meet different customer requirement. 注意:上述规格仅针对特定客户,对于您的特殊要求,可以通过调整绕组、磁场、控制参数和相关机械参数来达到您的不同要求。 |
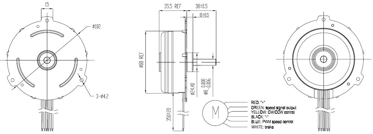
Outline Drawing 外形图:
.png)
|
Usable machine screw length 8.0mm max. from motor mounting surface |
Unit: Millimeter |
Performance Curve 性能曲线:
|
B8035M-S01 24V |
B8035M-S02 24V |
相关资讯
| 我要评论: | |
| 内 容: |
(内容最多500个汉字,1000个字符) |
| 验证码: | 看不清?! |


.jpg)
.jpg)






共有-条评论【我要评论】