产品展示
联系HJC黄金城
电话:86-755-29169107(市场部直线)
29169191(总机)
公司传真:86-755-29169007
公司地址:广东省深圳市宝安区福海新田大道福宁高新产业园A栋、F栋
B78M 直流无刷电机
- 所属分类:[全部HJC黄金城直流无刷电机]
- 产品简介:特征:双转向,信号功能,无级调速,低噪音,低电磁干扰,超长寿命10000-50000小时
- 订购热线:400-0755-631
- 下载资料:资料下载
|
|
B78M Series |
Output Power 输出功率: 20W~130W |
Weight 重量: 1000g (Approx.) |
|
Brushless DC Motor-Typical Application 直流无刷电机-典型应用
Specialized for Variable Frequency Refrigerator Compressor, Pump
专用于冰箱变频压缩机和泵 |
|||
|
Model 型号 |
电压 Voltage(V) |
No Load 空载 |
Rated Load 额定负载 |
Stall 堵转 |
||||||
|
Operating Range |
Rated |
Speed (rpm) |
Current (A) |
Torque (mNm) |
Speed (rpm) |
Current (A) |
Output P. (W) |
Torque (mNm) |
Current (A) |
|
|
B7825M-S01 |
8-26 |
12 |
4989 |
0.95 |
160 |
3920 |
6.99 |
65.68 |
744.7 |
29.09 |
|
B7830M-S01 |
8-26 |
12 |
5010 |
0.71 |
250 |
3538 |
9.48 |
92.62 |
849.33 |
30.49 |
|
B7830M-S02 |
226-375VDC |
310 |
5151 |
0.043 |
290 |
3957 |
0.467 |
120.2 |
1250.62 |
1.87 |
|
B7833M-S01 |
8-26 |
12 |
4921 |
0.821 |
290 |
3525 |
10.71 |
107.5 |
1022.1 |
35.66 |
|
B7835M-S01 |
8-26 |
12 |
4985 |
0.8 |
290 |
3544 |
10.47 |
103.9 |
968.83 |
34.26 |
|
B7835MS02 |
AC110-230V |
220 |
5151 |
0.043 |
290 |
3957 |
0.467 |
120.2 |
1250.62 |
1.87 |
Characteristic: CW & CCW, Signal function available, Locked rotor protection, Stepless speed regulation, Low noise, Low EMI, Long life 10000-50000hrs
特征:双转向,信号功能,无级调速,低噪音,低电磁干扰,超长寿命10000-50000小时
|
Notice: Data in this typical specification sheet are for other certain customer. Voltage, rated torque, speed, current, power and shaft extension feature & dimension can be changed to meet customer specific requirement. 注意:上述规格仅针对特定客户,电压、扭矩、转速、电流、功率、输出轴的特征和尺寸等都可以按照客户的特殊要求进行调整。 |
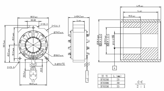
Outline Drawing 外形图:
|
Usable machine screw length 4.0mm max. from motor mounting surface |
Unit: Millimeter |
Performance Curve 性能曲线:
|
B7825M-S01 12V |
B7830M-S01 12V |
相关资讯
| 我要评论: | |
| 内 容: |
(内容最多500个汉字,1000个字符) |
| 验证码: | 看不清?! |










共有-条评论【我要评论】