产品展示
联系HJC黄金城
电话:86-755-29169107(市场部直线)
29169191(总机)
公司传真:86-755-29169007
公司地址:广东省深圳市宝安区福海新田大道福宁高新产业园A栋、F栋
B1625M 直流无刷电机
- 所属分类:[全部HJC黄金城直流无刷电机]
- 产品简介:双转向信号功能,锁定保护,低惯量,,低噪音,低电磁干扰,超长寿命3000-30000小时以上
- 订购热线:400-0755-631
- 下载资料:资料下载
|
|
B1625M
|
Output Power 输出功率: 0.1W~4.0W |
Weight重量: 23g (Approx.)
|
|
Brushless DC Motor-Typical Application 直流无刷电机-典型应用
医疗器械:医疗泵,液泵,气泵 |
|||
|
Model
型号
|
Voltage(V) 电压 |
No Load 空载 |
Rated Load 额定负载 |
Stall堵转
|
||||||
|
Operating Range |
Rated
|
Speed (rpm) |
Current (A) |
Torque (mNm) |
Speed (rpm) |
Current (A) |
Output P. (W) |
Torque (mNm) |
Current (A) |
|
|
B1625M-S01
|
2-5
|
3.7
|
7500
|
0.145
|
0.687
|
5569
|
0.297
|
0.40
|
2.44
|
0.35
|
|
B1625M-S02
|
5-13
|
6
|
7800
|
0.050
|
0.687
|
6500
|
0.150
|
0.46
|
4.17
|
0.9
|
|
B1625M-S03
|
5-13
|
12
|
7850
|
0.034
|
0.687
|
6570
|
0.080
|
0.475
|
4.26
|
0.8
|
|
B1625M-S04
|
5-13
|
12
|
49265
|
0.314
|
0.687
|
47462
|
0.538
|
3.413
|
18.76
|
0.8
|
|
B1625M-S05
|
5-13
|
6
|
9995
|
0.082
|
1.001
|
8045
|
0.261
|
0.843
|
5.087
|
0.9
|
|
B1625M-S06
|
5-13
|
12
|
26600
|
0.118
|
1.501
|
22565
|
0.415
|
3.547
|
9.895
|
0.8
|
Characteristic: CW & CCW, Signal function available, Locked rotor protection, Stepless speed regulation, Low noise, Low EMI, Long life 3000-30000hrs 特征:双转向,信号功能,锁定保护,无极调速,低噪音,低电磁干扰,超长寿命3000-30000小时
|
Notice: Data in this typical specification sheet are for other certain customer. Voltage, rated torque, speed, current, power and shaft extension feature & dimension can be changed to meet customer specific requirement. 注意:上述规格仅针对特定客户,电压、扭矩、转速、电流、功率、输出轴的特征和尺寸等都可以按照客户的特殊要求进行调整。 |
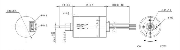
Outline Drawing 外形图:

|
Usable machine screw length 1.5mm max. from motor mounting surface |
Unit: Millimeter
|
Performance Curve 性能曲线:
|
B1625M-S02 6V |
B1625M-S04 12V
|
相关资讯
| 我要评论: | |
| 内 容: |
(内容最多500个汉字,1000个字符) |
| 验证码: | 看不清?! |










共有-条评论【我要评论】