产品展示
联系HJC黄金城
电话:86-755-29169107(市场部直线)
29169191(总机)
公司传真:86-755-29169007
公司地址:广东省深圳市宝安区福海新田大道福宁高新产业园A栋、F栋
BA460M 直驱无刷直流电机
- 所属分类:[全部HJC黄金城直流无刷电机]
- 产品简介:特征:双转向,信号功能,锁定保护,无极调速,低噪音,低电磁干扰,超长寿命10000-50000小时
- 订购热线:400-0755-631
- 下载资料:资料下载
|
|
BA460M |
Output Power 输出功率: 50W~120W |
Weight 重量: 2.86Kg (Approx.) |
|
Directly Drive Brushless DC Motor (DD BLDC) -(In development) 直驱无刷直流电机-典型应用 (研发中) With External Driving Controller 带外置驱动控制器 Home Application: Washing Machine 家用电器:洗衣机 Business Equipment: Game Racing Wheel, Wheelchair Hub Motor 商业设备:游戏赛车,轮椅轮毂电机 |
|||
|
Model 型号 |
Voltage(V) 电压 |
No Load 空载 |
Rated Load 额定负载 |
Stall 堵转 |
||||||
|
Operating Range |
Rated |
Speed (rpm) |
Current (A) |
Torque (Nm) |
Speed (rpm) |
Current (A) |
Output P. (W) |
Torque (Nm) |
Current (A) |
|
|
BA460M-S01 |
12-28 |
24 |
1076 |
0.89 |
2 |
522 |
7.35 |
116 |
3.91 |
15 |
|
BA460M-S02 |
12-28 |
24 |
936 |
0.68 |
1.3 |
634 |
4.57 |
86.4 |
3.99 |
15 |
|
BA460M-S03 |
12-28 |
24 |
963 |
0.71 |
0.65 |
789 |
2.69 |
53.8 |
4.13 |
15 |
Characteristic: CW & CCW, Signal function available, Locked rotor protection, Stepless speed regulation, Low noise, Low EMI, Long life 10000-50000hrs 特征:双转向,信号功能,锁定保护,无极调速,低噪音,低电磁干扰,超长寿命10000-50000小时
|
Notice: Data in this typical specification sheet are for other certain customer. Voltage, rated torque, speed, current, power and shaft extension feature & dimension can be changed to meet customer specific requirement. 注意:上述规格仅针对特定客户,电压、扭矩、转速、电流、功率、输出轴的特征和尺寸等都可以按照客户的特殊要求进行调整。 |
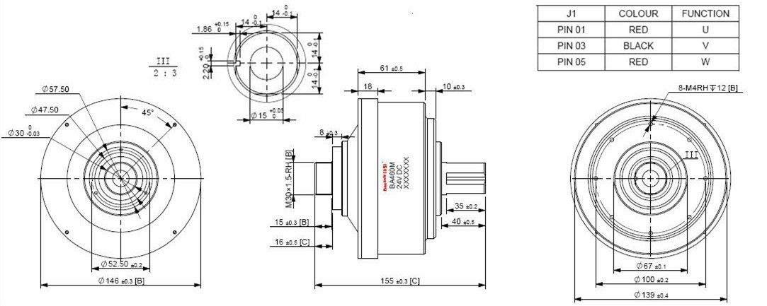
Outline Drawing 外形图:
.png)
|
Usable machine screw length 8.0mm max. from motor mounting surface |
Unit: Millimeter |
Performance Curve 性能曲线:
|
BA460M-S01 24V |
BA460M-S03 24V |

相关资讯
| 我要评论: | |
| 内 容: |
(内容最多500个汉字,1000个字符) |
| 验证码: | 看不清?! |



.jpg)






共有-条评论【我要评论】