产品展示
联系HJC黄金城
电话:86-755-29169107(市场部直线)
29169191(总机)
公司传真:86-755-29169007
公司地址:广东省深圳市宝安区福海新田大道福宁高新产业园A栋、F栋
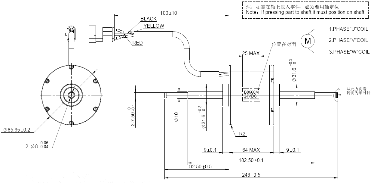
B8660M 无刷直流电机
- 所属分类:[全部HJC黄金城直流无刷电机]
- 产品简介:特征:双转向,信号功能,锁定保护,无极调速,低噪音,低电磁干扰,超长寿命3000-15000小时
- 订购热线:400-0755-631
- 下载资料:资料下载
|
|
B8660M |
Output Power 输出功率: 1W~400W |
Weight 重量: 1200g (Approx.) |
|
|
Brushless DC Motor-Typical Application 无刷直流电机-典型应用 With External Driving Controller 含外置驱动控制器 Specialized for Fan of Automotive 专用于汽车风机 |
||||
|
Model 型号 |
Voltage(V) 电压 |
No Load 空载 |
Rated Load 额定负载 |
Stall堵转 |
||||||
|
Operating Range |
Rated |
Speed (rpm) |
Current (A) |
Torque (mNm) |
Speed (rpm) |
Current (A) |
Output P. (W) |
Torque (mNm) |
Current (A) |
|
|
B8660M-S01 |
16-32 |
12 |
5715 |
1.47 |
250 |
4852 |
11.9 |
127 |
1655.60 |
70.65 |
|
B8660M-S02 |
16-32 |
24 |
4915 |
1.21 |
270 |
4210 |
5.50 |
119 |
1882.48 |
31.16 |
|
B8660M-S03 |
16-32 |
32 |
6218 |
1.23 |
350 |
5304 |
6.90 |
194 |
2381.63 |
39.87 |
Characteristic: CW & CCW, Signal function available, Locked rotor protection, Stepless speed regulation, Low noise, Low EMI, Long life 3000-15000hrs 特征:双转向,信号功能,锁定保护,无极调速,低噪音,低电磁干扰,超长寿命3000-15000小时
|
Notice: Data in this typical specification sheet are for other certain customer. Voltage, rated torque, speed, current, power and shaft extension feature & dimension can be changed to meet customer specific requirement. 注意:上述规格仅针对特定客户,电压、扭矩、转速、电流、功率、输出轴的特征和尺寸等都可以按照客户的特殊要求进行调整。 |
Outline Drawing 外形图:
.png)
Unit: Millimeter
Performance Curve 性能曲线:

相关资讯
| 我要评论: | |
| 内 容: |
(内容最多500个汉字,1000个字符) |
| 验证码: | 看不清?! |










共有-条评论【我要评论】