产品展示
联系HJC黄金城
电话:86-755-29169107(市场部直线)
29169191(总机)
公司传真:86-755-29169007
公司地址:广东省深圳市宝安区福海新田大道福宁高新产业园A栋、F栋
B5668M 无刷直流电机
- 所属分类:[全部HJC黄金城直流无刷电机]
- 产品简介:特征:双转向,信号功能,锁定保护,无极调速,低噪音,低电磁干扰,超长寿命3000-30000小时
- 订购热线:400-0755-631
- 下载资料:资料下载
|
|
B5668M
|
Output Power 输出功率:30W-100W |
Weight重量: 455g (Approx.)
|
|
Brushless DC Motor-Typical Application无刷直流电机-典型应用 Water Proof : IP67 防护等级:IP67 Automobile Parts: Parking Heater, Oil Pump, Fuel Pump 汽车部件:驻车加热器,汽车机油泵,燃油泵 |
|||
|
Model
型号
|
Voltage(V) 电压 |
No Load 空载 |
Rated Load 额定负载 |
Stall堵转
|
||||||
|
Operating Range |
Rated
|
Speed (rpm) |
Current (A) |
Torque (mNm) |
Speed (rpm) |
Current (A) |
Output P. (W) |
Torque (mNm) |
Current (A) |
|
|
B5668M-S01
|
8-14
|
12
|
2176
|
0.474
|
230
|
1664
|
4.57
|
40
|
260
|
5
|
|
B5668M-S02
|
8-26
|
24
|
7114
|
0.67
|
100
|
6099
|
3.35
|
63.86
|
170
|
5
|
|
B5668M-S03
|
8-26
|
24
|
4276
|
0.34
|
250
|
3511
|
4.78
|
92
|
270
|
5
|
Characteristic: CW & CCW, Signal function available, Locked rotor protection, Stepless speed regulation, Low noise, Low EMI, Long life 3000-30000hrs
特征:双转向,信号功能,锁定保护,无极调速,低噪音,低电磁干扰,超长寿命3000-30000小时
|
Notice: Data in this typical specification sheet are for other certain customer. Voltage, rated torque, speed, current, power and shaft extension feature & dimension can be changed to meet customer specific requirement. 注意:上述规格仅针对特定客户,电压、扭矩、转速、电流、功率、输出轴的特征和尺寸等都可以按照客户的特殊要求进行调整。 |
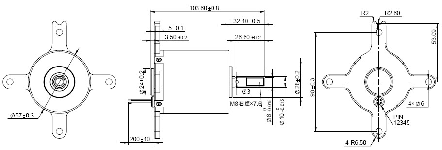
Outline Drawing 外形图:
.jpg)
|
Usable machine screw length 1.5mm max. from motor mounting surface |
Unit: Millimeter |
Performance Curve 性能曲线:
|
B5668M-S01 12V
|
B5668M-S02 24V
|

相关资讯
| 我要评论: | |
| 内 容: |
(内容最多500个汉字,1000个字符) |
| 验证码: | 看不清?! |










共有-条评论【我要评论】