产品展示
联系HJC黄金城
电话:86-755-29169107(市场部直线)
29169191(总机)
公司传真:86-755-29169007
公司地址:广东省深圳市宝安区福海新田大道福宁高新产业园A栋、F栋
B5020G 无刷直流减速电机
- 所属分类:[HJC黄金城-减速齿轮电机]
- 产品简介:特征:双转向,信号功能,锁定保护,无级调速,低噪音,低电磁干扰
- 订购热线:400-0755-631
- 下载资料:资料下载
|
|
B5020G |
Output Power 输出功率: 0.3-11W |
Weight 重量:93g (Approx.) |
|
Brushless DC Gear Motor-Typical Application (In development) 无刷直流减速电机-典型应用(研发中) 家用电器:微波炉 Home Appliance: Microwave Oven |
|||
|
Model 型号 |
Voltage(V) 电压 |
No Load 空载 |
Rated Load 额定负载 |
Stall 堵转 |
||||||
|
Operating Range |
Rated |
Speed (rpm) |
Current (A) |
Torque (Nm) |
Speed (rpm) |
Current (A) |
Output P. (W) |
Torque (Nm) |
Current (A) |
|
|
B5020G-S01 (Gear Ratio 34) |
8-30 |
28 |
65 |
0.029 |
1.00 |
24 |
0.235 |
2.515 |
1.489 |
0.363 |
Characteristic: CW & CCW, Signal function available, Locked rotor protection, Stepless speed regulation, Low noise, Low EMI
特征:双转向,信号功能,锁定保护,无级调速,低噪音,低电磁干扰
|
Notice: Data in this typical specification sheet are for other certain customer. Voltage, rated torque, speed, current, power, gear box ratio & dimension, shaft extension feature & dimension can be changed to meet customer specific requirement. 注意:上述规格仅针对特定客户,电压、扭矩、转速、电流、功率、齿轮箱的减速比和尺寸、输出轴的特征和尺寸等都可以按照客户的特殊要求进行调整。 |
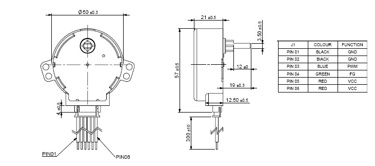
Outline Drawing 外形图:
Unit: Millimeter
LDC Motor Performance Curve 无刷电机性能曲线:
|
B5020G-S01 28V |
|

相关资讯
| 我要评论: | |
| 内 容: |
(内容最多500个汉字,1000个字符) |
| 验证码: | 看不清?! |










共有-条评论【我要评论】