产品展示
联系HJC黄金城
电话:86-755-29169107(市场部直线)
29169191(总机)
公司传真:86-755-29169007
公司地址:广东省深圳市宝安区福海新田大道福宁高新产业园A栋、F栋
D1723G有刷直流减速电机
- 所属分类:[HJC黄金城-减速齿轮电机]
- 产品简介:
- 订购热线:400-0755-631
- 下载资料:资料下载
|
|
D1723G |
Output Power 输出功率: 0.1W~2W |
Weight 重量: 60g (Approx.) |
|
Brush DC Gear Motor-Typical Application有刷直流减速电机-典型应用 Home Application: Kitchen Appliance, Electric Window & Curtain, Small Household Appliances, Portable Equipment 家用电器:厨房电器,电动门窗,小家电,便携式器材 Industry Facility: Transmission Equipment, Gear System, Actuator 工业设备:传动机械,齿轮系统,致动器 Electronic Equipment: Electric Valve, Small Switcher, Lighting Adjustor 电控设备:电动阀门,小型转换器,灯光调节器 Business Equipment: Electric Gate, Banking Facility, ATM, Vending Machine 商业设备:电动门禁,银行设施,ATM机,售卖机 Personal Care: Massager, Stroker, Vibrator 个人护理:按摩器,摩挲器,振动器 |
|||
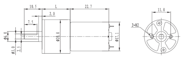
Outline Drawing 外形图:
Torque & Speed List: 力矩和转速列表
|
Reduction Ratio减速比 |
5.8 |
13.8 |
19.1 |
33 |
40 |
79.6 |
84 |
175 |
191 |
365 |
458.6 |
764 |
1100 |
2641 |
|
No load rpm空载转速 |
950 |
390 |
280 |
165 |
135 |
67 |
64 |
31 |
28 |
15 |
12 |
7 |
5 |
2 |
|
Rated load rpm额定转速 |
670 |
280 |
200 |
120 |
95 |
49 |
46 |
22 |
20 |
10.5 |
8.5 |
5 |
4 |
2 |
|
Rated Tor. Kgf-cm额定力矩 |
0.02 |
0.05 |
0.06 |
0.105 |
0.12 |
0.235 |
0.22 |
0.42 |
0.50 |
0.78 |
1.050 |
1.40 |
2.00 |
2.00 |

|
Notice: Data in this typical specification sheet are for other certain customer. Voltage, rated torque, speed, current, power and shaft extension feature & dimension can be changed to meet customer specific requirement. 注意:上述规格仅针对特定客户,电压、扭矩、转速、电流、功率、输出轴的特征和尺寸等都可以按照客户的特殊要求进行调整。 |
| 我要评论: | |
| 内 容: |
(内容最多500个汉字,1000个字符) |
| 验证码: | 看不清?! |





共有-条评论【我要评论】