产品展示
联系HJC黄金城
电话:86-755-29169107(市场部直线)
29169191(总机)
公司传真:86-755-29169007
公司地址:广东省深圳市宝安区福海新田大道福宁高新产业园A栋、F栋
B4266M 直流无刷电机
- 所属分类:[全部HJC黄金城直流无刷电机]
- 产品简介:特征:双转向,信号功能,锁定保护,无级调速,低噪音,低电磁干扰,超长寿命10000-50000小时
- 订购热线:400-0755-631
- 下载资料:资料下载
|
|
B4266M |
Output Power 输出功率:10W~40W |
Weight 重量:290 g (Approx.) |
|
Brushless DC Motor-Typical Application 直流无刷电机-典型应用 Automobile Parts: Water Pump, Lubricating Pump, Fuel Pump, Air Pump, HVAC System, Heater 汽车部件:水泵,机油泵,燃油泵,气泵,暖通系统,加热器 |
|||
|
Model 型号 |
Voltage(V) 电压 |
No Load 空载 |
Rated Load 额定负载 |
Stall 堵转 |
||||||
|
Operating Range |
Rated |
Speed (rpm) |
Current (A) |
Torque (mNm) |
Speed (rpm) |
Current (A) |
Output P. (W) |
Torque (mNm) |
Current (A) |
|
|
B4266M-S01 |
8-26 |
12 |
3839 |
0.28 |
30 |
3195 |
1.17 |
10.03 |
179 |
2.5 |
|
B4266M-S02 |
8-26 |
20 |
6761 |
0.35 |
28 |
6063 |
1.27 |
17.78 |
271 |
2.5 |
|
B4266M-S03 |
8-26 |
24 |
5487 |
0.20 |
75 |
3897 |
1.77 |
30.61 |
259 |
5.0 |
Characteristic: CW & CCW, Signal function available, Locked rotor protection, Stepless speed regulation, Low noise, Low EMI, Long life 10000-50000hrs 特征:双转向,信号功能,锁定保护,无级调速,低噪音,低电磁干扰,超长寿命10000-50000小时
|
Notice: Data in this typical specification sheet are for other certain customer. Voltage, rated torque, speed, current, power and shaft extension feature & dimension can be changed to meet customer specific requirement. 注意:上述规格仅针对特定客户,电压、扭矩、转速、电流、功率、输出轴的特征和尺寸等都可以按照客户的特殊要求进行调整。 |
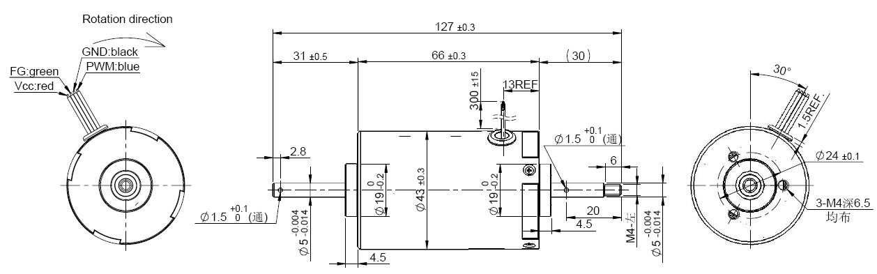
Outline Drawing 外形图:
.jpg)
Usable machine screw length 6.0mm max from motor mounting surface Unit: Millimeter
Performance Curve 性能曲线:
|
B4266M-S01 12V |
B4266M-S03 24V |
相关资讯
| 我要评论: | |
| 内 容: |
(内容最多500个汉字,1000个字符) |
| 验证码: | 看不清?! |










共有-条评论【我要评论】