产品展示
联系HJC黄金城
电话:86-755-29169107(市场部直线)
29169191(总机)
公司传真:86-755-29169007
公司地址:广东省深圳市宝安区福海新田大道福宁高新产业园A栋、F栋
B3020S 单相无刷直流电机
- 所属分类:[全部HJC黄金城直流无刷电机]
- 产品简介:特征:单转向,信号功能,锁定保护,无级调速,低噪音,低电磁干扰,超长寿命10000-30000小时
- 订购热线:400-0755-631
- 下载资料:资料下载
|
|
B3020S |
Outer Rotor |
Output Power 输出功率: 0.1W~1.2W |
Weight 重量: 75g (Approx.) |
|
外转子 |
||||
|
Single-Phase Brushless DC Motor-Typical Application 单相无刷直流电机-典型应用 Automotive Parts: Micro Fan 汽车部件:小型风扇 Home Application: USB Fan, Small Air Fresher, Mini Fan, Mosquito Killer 家用电器:USB电风扇,小功率空气清新机,微型风扇,灭蚊器 Medical Apparatus: Medical Pump, Medical Blower, Super-Silence Fan 医疗器械:医疗泵,鼓风机,医用鼓风机,超静音风扇 Industry Equipment: Electric Valve, Actuator 工业设备:电动阀门,致动器 Business Equipment: Printer, Copier, Projector 商业设备:打印机,复印机,投影机 |
||||
|
Model 型号 |
Voltage(V) 电压 |
No Load 空载 |
Rated Load 额定负载 |
Stall 堵转 |
||||||
|
Operating Range |
Rated |
Speed (rpm) |
Current (A) |
Torque (mNm) |
Speed (rpm) |
Current (A) |
Output P. (W) |
Torque (mNm) |
Current (A) |
|
|
B3020S-S01 |
5-14 |
12 |
6454 |
0.127 |
3.53 |
3024 |
0.389 |
1.12 |
6.65 |
0.62 |
|
B3020S-S02 |
5-14 |
12 |
2759 |
0.064 |
1.20 |
1849 |
0.108 |
0.23 |
3.64 |
0.19 |
|
B3020S-S03 |
5-14 |
12 |
2900 |
0.065 |
1.02 |
2350 |
0.095 |
0.25 |
4.90 |
0.20 |
Characteristic: CW, Signal function available, Locked rotor protection, Stepless speed regulation, Low noise, Low EMI, Long life 10000-30000hrs
特征:单转向,信号功能,锁定保护,无级调速,低噪音,低电磁干扰,超长寿命10000-30000小时
|
Notice: Data in this typical specification sheet are for other certain customer. Voltage, rated torque, speed, current, power and shaft extension feature & dimension can be changed to meet customer specific requirement. 注意:上述规格仅针对特定客户,电压、扭矩、转速、电流、功率、输出轴的特征和尺寸等都可以按照客户的特殊要求进行调整。 |
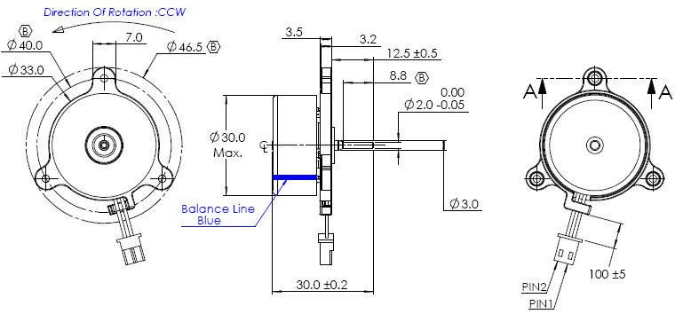
Outline Drawing 外形图: Unit: Millimeter
Performance Curve 性能曲线:
|
B3020S-S01 12V |
B3020S-S02 12V |

相关资讯
| 我要评论: | |
| 内 容: |
(内容最多500个汉字,1000个字符) |
| 验证码: | 看不清?! |










共有-条评论【我要评论】