产品展示
联系HJC黄金城
电话:86-755-29169107(市场部直线)
29169191(总机)
公司传真:86-755-29169007
公司地址:广东省深圳市宝安区福海新田大道福宁高新产业园A栋、F栋
B4235M 无刷直流电机
- 所属分类:[全部HJC黄金城直流无刷电机]
- 产品简介:特征:双转向,信号功能,无级调速,低噪音,低电磁干扰,超长寿命10000-50000小时。
- 订购热线:400-0755-631
- 下载资料:资料下载
|
|
B4235M |
Output Power 输出功率: 5W~35W |
Weight 重量: 160g (Approx.) |
|
Brushless DC Motor-Typical Application 直流无刷电机-典型应用 Automobile Parts: Pump, Fan 汽车部件:泵,风机 Home Application: White Goods, Small Appliance, Fanner, Coffee Machine Milk Tea Machine 家用电器:白色家电,小家电,无风叶电风扇,有风叶风扇,咖啡机,奶茶机 Medical Apparatus: Medical Pump, Surgery Tools, Medical Stirrer, Centrifugal Machine 医疗器械:医疗泵,手术器械,搅拌器,离心机 Industry Equipment: Electric Valve, Actuator 工业设备:电动阀门,致动器 Business Equipment: ATM, Vending Machine 商业设备: ATM机,售卖机 Personal Care: Hair Dryer, Massager, Vibrator 个人护理:风筒,按摩器,震动器 Power Tools: Screwdriver, Drill, Air Compressor 电动工具:电动螺丝批,电钻,气体压缩机 |
|||
|
Model 型号 |
电压 Voltage(V) |
No Load 空载 |
Rated Load 额定负载 |
Stall 堵转 |
||||||
|
Operating Range |
Rated |
Speed (rpm) |
Current (A) |
Torque (mNm) |
Speed (rpm) |
Current (A) |
Output P. (W) |
Torque (mNm) |
Current (A) |
|
|
B4235M-S01 |
8-26 |
12 |
2860 |
0.21 |
40.2 |
2050 |
1.16 |
8.62 |
141.0 |
2.5 |
|
B4235M-S02 |
8-26 |
24 |
6370 |
0.30 |
35.0 |
5100 |
1.17 |
18.72 |
175.8 |
2.5 |
|
B4235M-S03 |
8-26 |
24 |
9400 |
0.53 |
18.05 |
8530 |
1.16 |
16.12 |
194.9 |
2.5 |
|
B4235M-S04 |
8-26 | 24 | 5539 | 0.25 | 55.03 | 4393 | 1.41 | 25.31 | 264.3 | 2.5 |
|
B4235M-S05 |
8-26 |
24 |
8455 |
0.33 |
40.0 |
7580 |
1.64 |
31.75 |
386.8 |
2.5 |
Characteristic: CW & CCW, Signal function available, Locked rotor protection, Stepless speed regulation, Low noise, Low EMI, Long life 10000-50000hrs 特征:双转向,信号功能,无级调速,低噪音,低电磁干扰,超长寿命10000-50000小时
|
Notice: Data in this typical specification sheet are for other certain customer. Voltage, rated torque, speed, current, power and shaft extension feature & dimension can be changed to meet customer specific requirement. 注意:上述规格仅针对特定客户,电压、扭矩、转速、电流、功率、输出轴的特征和尺寸等都可以按照客户的特殊要求进行调整。 |
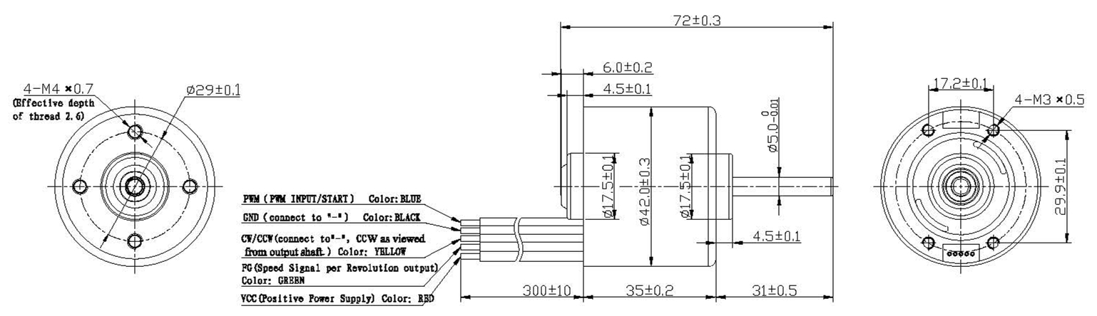
Outline Drawing 外形图:
|
Usable machine screw length 4.0mm max. from motor mounting surface |
Unit: Millimeter |
Performance Curve 性能曲线:
|
B4235M-S02 24V |
B4235M-S04 24V |
相关资讯
| 我要评论: | |
| 内 容: |
(内容最多500个汉字,1000个字符) |
| 验证码: | 看不清?! |










共有-条评论【我要评论】