西门子医疗器械-医疗气泵电机
文章出处:责任编辑:作者:人气:-发表时间:2012-07-04 09:55:00
客户产品:医疗气泵
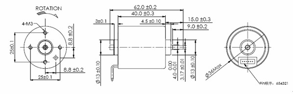
HJC黄金城无刷电机型号:B2430M、B3640M、B3657M
特点:超低噪音、低震动、高效率、超长寿命30000小时以上


特征:双转向信号功能,锁定保护,低惯量,,低噪音,低电磁干扰,超长寿命10000小时以上
外形图:

此文关键字:直流无刷电机,无刷电机,无刷马达
相关资讯
相关产品
同类文章排行
- 大中型家用空气净化器成功案例!
- 头戴式呼吸面罩用无刷电机应用案例
- 小型清洗机/洗袜机/洗衣机专用无刷电机应用案例
- 桌面空气净化器无刷电机应用案例
- 手持电推剪无刷电机应用案例
- 小功率贯流风机用直流无刷电机
- 电冰箱冷凝器专用无刷风机
- 医疗器械产品无刷马达
- B2418M卷发器专用无刷电机
最新资讯文章
您的浏览历史


