产品展示
联系HJC黄金城
电话:86-755-29169191
29169292
公司传真:86-755-29169007
公司地址:广东省深圳市宝安区福永街道新田大道71-1号福宁高新产业园A栋
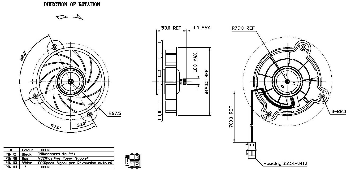
B3020F直流无刷风扇
- 所属分类:[]
- 产品简介:三相无刷直流风扇-专用于电冰箱冷凝风扇 单转向,信号功能,锁定保护,低噪音,低电磁干扰,超长寿命5000 min小时
- 订购热线:400-0755-631
|
|
B3020F |
Brushless DC Fan |
Output Power 输出功率: 0.3W~5W |
Weight 重量: 160g (Approx.) |
|
无刷直流风扇 |
||||
|
3-Phase Brushless DC Fan- Specific for Refrigerator Condenser Fan 三相无刷直流风扇-专用于电冰箱冷凝风扇 |
||||
|
Model 型号 |
电压 Voltage(V) |
No Load 空载 |
Rated Load 额定负载 |
Starting 起动 |
||||||
|
Operating Range |
Rated |
Speed (rpm) |
Current (A) |
Torque (mNm) |
Speed (rpm) |
Current (A) |
Output P. (W) |
Torque (mNm) |
Current (A) |
|
|
B3020F-S01 |
5-12 |
12 |
2943 |
0.075 |
5.101 |
1886 |
0.21 |
1.007 |
14.17 |
0.45 |
Characteristic: CW or CCW, Signal function available, Locked rotor protection, Low noise, Low EMI, Long life5000 min hrs 特征:单转向,信号功能,锁定保护,低噪音,低电磁干扰,超长寿命5000 min小时
|
Notice: Data in this typical specification sheet are for other certain customer. Voltage, rated torque, speed, current, power and shaft extension feature & dimension can be changed to meet customer specific requirement. 注意:上述规格仅针对特定客户,电压、扭矩、转速、电流、功率、输出轴的特征和尺寸等都可以按照客户的特殊要求进行调整。 |
Outline Drawing 外形图: (Unit: Millimeter)

Performance Curve 性能曲线:
|
B3020F-S01 12V DC |
|

专用三相无刷外转子电机:
相关资讯
| 我要评论: | |
| 内 容: |
(内容最多500个汉字,1000个字符) |
| 验证码: | 看不清?! |









共有-条评论【我要评论】