产品展示
联系HJC黄金城
电话:86-755-29169107(市场部直线)
29169191(总机)
公司传真:86-755-29169007
公司地址:广东省深圳市宝安区福海新田大道福宁高新产业园A栋、F栋
D2838M直流电机马达
- 所属分类:[HJC黄金城-DC直流电机]
- 产品简介:特征:低噪音,低震动,高可靠性
- 订购热线:400-0755-631
- 下载资料:资料下载
|
|
D2838M ( DC Motor直流马达) |
Output Power 输出功率: 1W~40W |
Weight 重量:50g(Approx.) |
|
DC Motor - Typical Application 直流电机 - 典型应用
Home Appliance: Hair Dryer, Pump, Cleaning Robotics.
家用电器:吹风筒、气泵、扫地机器人
|
|||
|
Model 型号 (DC Motor直流马达) |
Voltage(V) 电压 |
No Load 空载 |
Rated Load 额定负载 |
Stall 堵转 |
||||||
|
Operating Range |
Rated |
Speed (rpm) |
Current (A) |
Torque (mNm) |
Speed (rpm) |
Current (A) |
Output P. (W) |
Torque (mNm) |
Current (A) |
|
|
D2838M-S01 |
3~5V | 3.7 | 5800 | 0.26 | 15 | 2900 | 2.96 | 4.69 | 30.3 | 5.72 |
|
D2838M-S02
|
6~12V
|
7.4
|
5752 | 0.14 | 30 | 3000 | 2.54 | 9.52 | 63.3 | 5.20 |
| D2838M-S03 |
18~30V
|
24 | 22500 | 0.22 | 10.5 | 19400 | 1.22 | 22.2 | 70.0 | 6.91 |
Characteristic: Low noise, Low Vibration, High Reliability 特征:低噪音,低震动,高可靠性
|
Notice: Data in this typical specification sheet are for other certain customer. Voltage, rated torque, speed, current, power and shaft extension feature & dimension can be changed to meet customer specific requirement. 注意:上述规格仅针对特定客户,电压、扭矩、转速、电流、功率、输出轴的特征和尺寸等都可以按照客户的特殊要求进行调整。 |
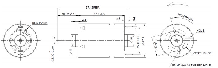
Outline Drawing 外形图:
|
Usable machine screw length 3mm max. from motor mounting surface Unit: Millimeter |
|
Performance Curve 性能曲线:
|
|

| 我要评论: | |
| 内 容: |
(内容最多500个汉字,1000个字符) |
| 验证码: | 看不清?! |










共有-条评论【我要评论】