产品展示
联系HJC黄金城
电话:86-755-29169107(市场部直线)
29169191(总机)
公司传真:86-755-29169007
公司地址:广东省深圳市宝安区福海新田大道福宁高新产业园A栋、F栋
D2238M直流有刷减速电机
- 所属分类:[HJC黄金城-DC直流电机]
- 产品简介:特征:低噪音,低震动,高可靠性
- 订购热线:400-0755-631
- 下载资料:资料下载
|
|
D2238M (Brush DC有刷马达) |
Output Power 输出功率: 1W~8W |
Weight 重量: 54g (Approx.) |
|
Typical Application 典型应用 Home Application: Small Appliance, Electric Curtain, Electric Windows/Door 家用电器:小家电,电动窗帘,电动门窗 Medical Apparatus: Medical Pump, Surgery Tools, Medical Stirrer, Centrifugal Machine 医疗器械:医疗泵,手术器械,搅拌机,离心机 Industry Facilities: Printing Machine, Binding Machine, Cutting Machine, Bottle Opener 工业设备:印刷机,装订机,裁剪机,开瓶机 Business Equipment: Cash Register, ATM, TV Set Frame 商业设备:点钞机,ATM机,电视机架 Personal Care: Massager, Vibrator, Malaxation Apparatus, Scrub Apparatus 个人护理:按摩器,震动器,揉捏器,磨砂器 |
|||
|
Model 型号 (Brush DC 有刷) |
电压 Voltage(V) |
No Load 空载 |
Rated Load 额定负载 |
Stall 堵转 |
||||||
|
Operating Range |
Rated |
Speed (rpm) |
Current (A) |
Torque (mNm) |
Speed (rpm) |
Current (A) |
Output P. (W) |
Torque (mNm) |
Current (A) |
|
|
D2238M-S01 |
9-14 |
12 |
5380 |
0.06 |
9.8 |
3530 |
0.54 |
3.65 |
28.6 |
1.45 |
|
D2238M-S02 |
16-26 |
24 |
5720 |
0.03 |
4.9 |
4690 |
0.15 |
2.42 |
27.4 |
0.71 |
Characteristic: Low noise, Low Vibration, High Reliability 特征:低噪音,低震动,高可靠性
|
Notice: Data in this typical specification sheet are for other certain customer. Voltage, rated torque, speed, current, power and shaft extension feature & dimension can be changed to meet customer specific requirement. 注意:上述规格仅针对特定客户,电压、扭矩、转速、电流、功率、输出轴的特征和尺寸等都可以按照客户的特殊要求进行调整。 |
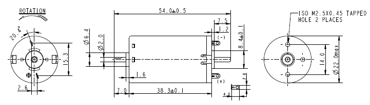
Outline Drawing 外形图:
|
Usable machine screw length 3mm max. from motor mounting surface |
Unit: Millimeter |
Performance Curve 性能曲线:
|
D22388M-S01 12V |
D2238M-S02 24V |
| 我要评论: | |
| 内 容: |
(内容最多500个汉字,1000个字符) |
| 验证码: | 看不清?! |






共有-条评论【我要评论】