产品展示
联系HJC黄金城
电话:86-755-29169107(市场部直线)
29169191(总机)
公司传真:86-755-29169007
公司地址:广东省深圳市宝安区福海新田大道福宁高新产业园A栋、F栋
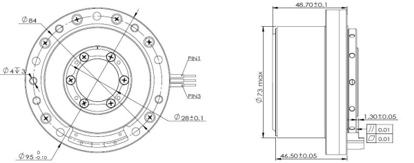
B7347M直流无刷电机
- 所属分类:[全部HJC黄金城直流无刷电机]
- 产品简介:
- 订购热线:400-0755-631
- 下载资料:资料下载
|
|
B7347M |
Output Power 输出功率:3W~240W |
Weight 重量: 721g(Approx.) |
|
Directly Drive Brushless DC Motor (DD BLDC) -(In development) 直驱无刷直流电机-典型应用 (研发中) With External Driving Controller 带外置驱动控制器 Specialized for Laser Radar Prism (Galvanometer, Wedge mirror) 激光雷达棱镜(振镜、楔镜)电机 |
|||
|
Model 型号 |
Voltage(V) 电压 |
No Load 空载 |
Rated Load 额定负载 |
Stall 堵转 |
||||||
|
Operating Range |
Rated |
Speed (rpm) |
Current (A) |
Torque (mNm) |
Speed (rpm) |
Current (A) |
Output P. (W) |
Torque (mNm) |
Current (A) |
|
|
B7347M-S01 |
5-12 |
6 |
2387 |
0.6 |
30 |
1805 |
1.8 |
5.67 |
123 |
123 |
|
B7347M-S02 |
8-26 |
12 |
7739 |
0.9 |
40 |
6959 |
3.32 |
29.15 |
397 |
24.89 |
|
B7347M-S03 |
8-26 |
24 |
13089 |
0.75 |
55 |
12008 |
3.52 |
69.16 |
666 |
34.29 |
Characteristic: CW & CCW, Signal function available, Locked rotor protection, Stepless speed regulation, Low noise, Low EMI, Long life 10000-50000hrs 特征:双转向,信号功能,锁定保护,无极调速,低噪音,低电磁干扰,超长寿命10000-50000小时
|
Notice: Data in this typical specification sheet are for other certain customer. Voltage, rated torque, speed, current, power and shaft extension feature & dimension can be changed to meet customer specific requirement. 注意:上述规格仅针对特定客户,电压、扭矩、转速、电流、功率、输出轴的特征和尺寸等都可以按照客户的特殊要求进行调整。 |
Outline Drawing 外形图:

|
|
|
Performance Curve 性能曲线:
|
B7347M-S03 24V |

相关资讯
| 我要评论: | |
| 内 容: |
(内容最多500个汉字,1000个字符) |
| 验证码: | 看不清?! |










共有-条评论【我要评论】